Обладнання: джерело струму (гальванічний елемент, батарейка, акумулятор), амперметр, вольтметр, реостат, ключ, з’єднувальні провідники.
Правила техніки безпеки.
1. Розпочинати виконання роботи можна тільки з дозволу вчителя.2. Перед користуванням вимірювальними приладами вивчити їх шкали і допустимі межі вимірювання.
3. Складання електричного кола проводьте у чіткій послідовності за поданою схемою.
4. Складене електричне коло можна вмикати лише з дозволу вчителя.
5. Якщо під час роботи виявлено несправності, негайно вимкніть електроживлення і повідомте про це вчителя.
6. Після закінчення роботи вимкніть джерело струму, розберіть електричне коло, та приберіть робоче місце.
Теоретичні відомості.
Пристрої, які забезпечують виникнення побічних сил, що переміщують заряди, називаються джерелами електричної енергії або джерелами струму.Повне або замкнуте електричне коло складається з двох частин: внутрішньої ділянки, тобто джерела ЕРС, і зовнішньої, яка з’єднує полюси джерела струму поза ним. Джерело струму, як і будь-який провідник, має опір, який називають внутрішнім опором і позначають літерою «r».
ЕРС джерела дорівнює сумі спадів напруги на зовнішньому IR і внутрішньому Іr ділянках кола
Якщо приєднати вольтметр безпосередньо до джерела струму, врахувавши, що опір вольтметра R набагато більший за внутрішній опір джерела, одержимо:Таким чином, внутрішній опір джерела струму можна визначити за формулою:
Отже, на лабораторній роботі визначимо ЕРС джерела струму, вимірявши силу струму і напругу в колі та розрахуємо внутрішній опір джерела струму.
3. При розімкнутому вимикачі за допомогою вольтметра виміряйте напругу на клемах джерела струму, яка згідно формули (3) і буде дорівнювати ЕРС джерела струму.
4. Встановіть повзунок реостата на максимальний опір в колі. Замкніть ключ.
5. За показами амперметра та вольтметра запишіть у таблицю значення сили струму та напруги в електричному колі.
6. Повторіть дослід ще двічі, при різних положеннях повзунка реостата. Занесіть у таблицю покази приладів для кожного випадку.
7. Для кожного досліду розрахуйте внутрішній опір джерела струму r за формулою: 8. Обчисліть середнє значення внутрішнього опору джерела струму за формулою: 9. Результати обчислень запишіть у таблицю.
Порядок виконання роботи
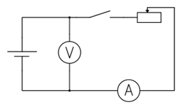
1. Складіть електричне коло, що складається з джерела струму, вимикача (ключа), реостата, амперметра та вольтметра (Мал 1.)
2. Ознайомтесь із вимірювальними приладами та визначте ціну поділки шкали амперметра _______ і вольтметра_______.3. При розімкнутому вимикачі за допомогою вольтметра виміряйте напругу на клемах джерела струму, яка згідно формули (3) і буде дорівнювати ЕРС джерела струму.
4. Встановіть повзунок реостата на максимальний опір в колі. Замкніть ключ.
5. За показами амперметра та вольтметра запишіть у таблицю значення сили струму та напруги в електричному колі.
|
№ |
ε, В |
U, B |
I, A |
r, Oм |
rc, Ом |
|
1. |
|
|
|
|
|
|
2. |
|
|
|
||
|
3. |
|
|
|
6. Повторіть дослід ще двічі, при різних положеннях повзунка реостата. Занесіть у таблицю покази приладів для кожного випадку.
7. Для кожного досліду розрахуйте внутрішній опір джерела струму r за формулою: 8. Обчисліть середнє значення внутрішнього опору джерела струму за формулою: 9. Результати обчислень запишіть у таблицю.
Висновок.
У висновку вкажіть:
а) які фізичні величини визначали у даній лабораторній роботі;
б) яке значення шуканих величин Ви отримали у досліді;
в) в яких одиницях вимірювання визначаються шукані величини;
г) поясніть причини похибок і неточностей під час проведених вимірювань.
а) які фізичні величини визначали у даній лабораторній роботі;
б) яке значення шуканих величин Ви отримали у досліді;
в) в яких одиницях вимірювання визначаються шукані величини;
г) поясніть причини похибок і неточностей під час проведених вимірювань.
Додаткове експериментальне завдання
Дослідіть, якими будуть електрорушійна сила та внутрішній опір відпрацьованого гальванічного елемента та поясніть результати дослідження.

